Bluesman 2018 Guitar Amp
by Bob Richards, EET
Copyright (c) 2018
Yet another one. 18 Watt Mono. Generally similar to a Fender Deluxe.
This must be about my 10th guitar amp project. It's been a fun hobby.
Lynn Conover inspired me to do a purple control panel. I realized it would
compliment the yellowish tweed nicely.
I had built this cabinet, with the two Jensen P10R speakers in it many years
ago, but the original amp was an experimental 8 watt single ended EL34 output
that didn't really keep up with the volume levels of any band I jammed with.
So after noticing that the Fender Deluxe amps were plenty loud at the Laurelthirst
Pub, I decided to make my own version of a Deluxe, and call it The Bluesman
2018.
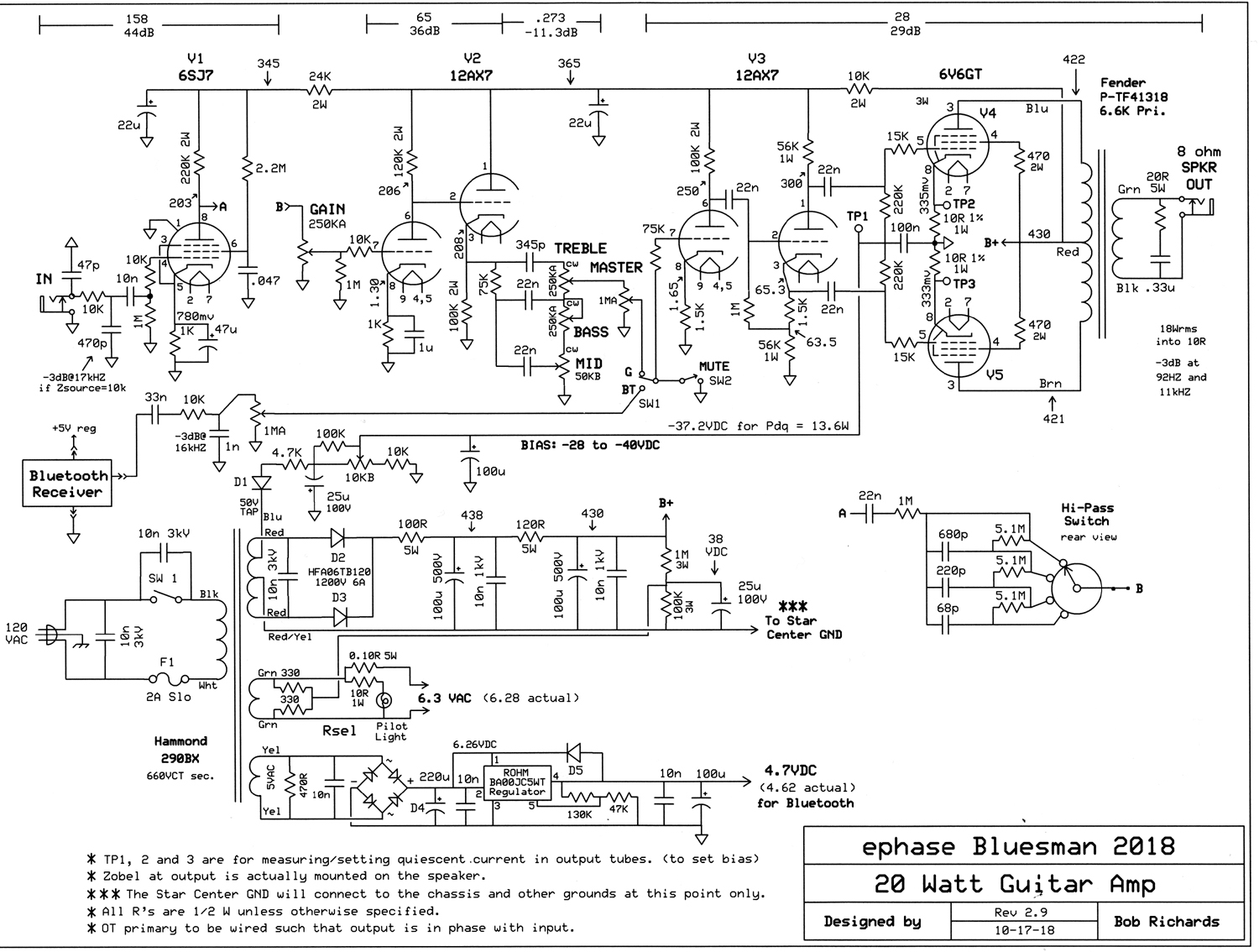
I was going to use a 12AX7 front end originally, but decided to live on
the edge, and instead use the 6SJ7 Pentode ("Bad Boy" of the early
Fender amps), since it sounded so good in two other amps I built.
It's significantly more microphonic than a 12AX7, and isn't produced by
anyone anymore (although many NOS versions are easily attainable for about
$10), but I couldn't resist.
Pentodes have that screen grid that may have a slight effect on the attack
and decay of tone bursts with the part values as they are, which may be part
of their magic.
My tone burst generator (FG504) died just as I was noticing that, before
I got a chance to photograph and document the effect.
The "Full Wave Saturator" 2nd stage and tone stack is pretty much
the same as in other amps I built. I hadn't tried the Cathodyne phase splitter
before, so it's time had come. (Eric Clapton's '57 Fender Twinamp has that).
The Cathodyne circuit causes substantial asymetry in the output waveform,
when the amp is significantly over driven, which results in more even harmonic
distortion content, which is a good thing.
I thought I'd add a Bluetooth receiver, so a smartphone could wirelessly
play any song throught the amp at a practice session, thereby turning bandmates
onto any song stored on the smartphone.
The main chassis just has an AUX input and a 5VDC port for the external
Bluetooth receiver, which has to be outside of the grounded metal chassis
to work anyway.
While all the voltage levels listed are actual measured,
it should be understood that any changing of the bias on the output tubes
will change all voltage values anywhere in the circuit to some extent.
Gains were all measured at about 1kHZ, with tone controls
centered.
When you first turn on this amp, the B+ rises to 495VDC,
before the tubes start conducting and load down the power supply, at which
point the B+ settles out at about 430VDC.
So having power supply capacitors rated at at least
500VDC is wise.
The 6SJ7 actually has more gain than I wanted, so it's output gets attenuated
by the 1M resistor (in the Hi-Pass Switch circuit) feeding the 250KA Gain
pot.
The "Standby" switches in most guitar amps yank B+ up and down,
which is hard on certain parts. My Standby switch (called Mute) just shorts
the input of the phase splitter stage to Ground, and works perfectly.
I've got my usual 2 section passive Rf filter at the input, to minimize
noise picked up by the guitar acting as an antenna. Hardly any guitar amps
out there have that.
I added the 100K resistor to the bias pot wiper so if the wiper ever goes
intermittant, the output tubes turn off instead of on all the way continuously
(which will destroy the tubes and possibly other parts).
The heater supply is floated at about 40 volts, so the heater to cathode
max voltage spec of certain tubes won't be as violated. I was very pleased
to find that hum is very minimal even with an AC filiment drive on the 6SJ7.
When practicing at home with very little ambient noise and "normal"
listening levels, hum and hiss are not a problem at all.
All resistors in the early stages are low noise metal film types. At a gig,
with gains turned up real high, some hiss can be heard between songs if you're
up close (like with any amp).
I set the 5V regulator slightly below 5V (4.8V), so it's less likely to
ever go out of regulation if the Bluetooth load is a bit high. As of this
writing, I haven't actually hooked up a Bluetooth reciever to verify that.
The 4 position Highpass switch after the first stage gives the distortion
generated in the second stage variable focus.
The Push-Pull output stage is fully optimised for NO "Blocking Distortion",
which very greatly exagerates crossover distortion in a way that's not musically
related to the source material.
Setting the bias on the output tubes is challenging because of the B+ (and
plate to cathode voltage) is higher than the recommended maximum voltage spec
in the Tube manual.
I've got it set such that the output tubes are at about 13 watts at quiesence.
The tube manual says the 6V6 max power dissipation is 14 watts.
Early versions of the 6V6 tubes may have had a short life because of this
high quiescent power dissipation and/or the rather high B+, but the JJ brand
6V6S tubes appear to handle it with no problem.
If I reduce the plate to cathode voltage to within the 350VDC spec, I'd
probably only get about 14 watts at the output.
Fender has a B+ of 420VDC in the Deluxe model which is rated at 20W audio
output, so I'm letting my B+ be 430VDC, which gives me 18 watts rms into a
10 ohm load resistor, so probably 20 watts into an 8 ohm speaker.
I would have gone with 420VDC, but didn't have a 75 ohm 5 watt resistor
handy. I might change that later for slightly better reliability.
I'm not usually one to push any part to it's advertised limit, but 20 watts
is pretty much a minimum if you're going to play in a rock or blues band.
And I have a lot of faith in those JJ 6V6S tubes.
I guess I figured that if Fender got away with a B+ at 420VDC for all these
years, it must not be that big of a reliability issue.
I learned early on that making a "mock-up" on paper of how the
chassis will be fabricated is an extremely good idea. I use Hammond aluminum
chassis, which only come in certain sizes, and I don't like to waste space.
Then you tape the paper mock-up to the aluminum chassis, and punch all the
hole centers, then remove the paper and drill the holes.
I forgot to draw in the bias test points on the Mockup, but they show in
some of the photos further below.
As I've said before, when you go to paint aluminum, you must first prime
it with a primer that says right on the can "Aluminum Primer", or
the paint will chip off sooner than you think.
But before that I sand the chassis with approx. 300+ grit sand paper (so
primer can grab the surface better), and then wash the chassis well with dish
soap and hot water.
I use dry transfer lettering because it looks real nice, not because it's
easy to do. It's one letter at a time, and takes several hours if you're good
at it.
Loading parts into the chassis is actually kinda fun, until you get to
the part where you have to wire everything. The lug strip distribution is
always a guess, and often gets modified later as the chassis gets wired.
I like getting creative where I can, hence the multi-colored chassis. The
earlier photos show the 9 pin 12AX7 front end tube socket on the brass plate,
but I later switched to an 8 pin octal socket for the 6SJ7 front end tube.
The brass plate is mounted with special silicone rubber grommets for some
shock absorbtion, to reduce conducted (rather than radiated) feedback from
the speakers to the 6SJ7. It's almost a problem at full gain, but not quite.
That 6SJ7 conducted feedback will throw it's own coloration into the distortion
mix, but doesn't seem to be a problem at all when I set everything to play
clean.
Above on the right, the power supply is essentially done. Below, the output
stage and phase spitter are done.
Below on the right, you can see the bias test points (blue) for each output
tube. There's also a Ground test point right next to them. The Bias pot is
over by the AC line cord exit.
The pot stem in between the two 12AX7's (picture on right below) is for
setting the level of the Bluetooth input.
Any sub-assemblies, such as the Highpass rotary switch, are WAY easier to
build outside of the chassis, before installing.
In the above left photo, you can see the AUX input and 5VDC regulated power
port for the Bluetooth receiver. Also the speaker out jack.
On the right, you can sort of see how The red and white 18AWG single strand
filiment wiring is kept as far away from the rest of the wiring as is practical,
for minimal hum.
The two wires are also twisted together fairly tightly where possible. That
way their radiated electromagnetic fields largely cancel out.
After fully building and testing the chassis on the bench with voltmeter,
sinewave generator and scope, I put it in the cabinet and took it out jamming
for a real-world test. It did quite well.
Above on the left you can see the Zobel network (RC) mounted right on the
speaker. I have two 16 ohm speakers hooked in parallel for an 8 ohm nominal
load.
I used a tie-wrap to stabilize the zobel parts; Probably not a great idea,
but better than nothing. I should further stabilize that.
At high frequencies (above about 10kHZ) the impedance of virtually any guitar
speaker rises so high that the output transformer can turn into a spark coil
when the amp is jammed into overdrive (clipping).
That issue is responsible for the blow-outs of many guitar amps that don't
bother with the Zobel network. Some amplifiers use Hi-V reverse biased diodes
off the promary winding of the output transformer.
I like this method better. The un-loading of the OT secondary, is the source
of the problem. The zobel keeps it reasonably loaded at all frequencies. Reliability
is a top priority in my amps.
At home I have that other amp in the picture on the right, doing the 2nd
channel output of the Neunaber stereo reverb pedal (which I love).
I play clean with lots of reverb 90% of the time. Sometimes I add in the
Chorus pedal as well. It makes practicing fun.
Compared to many Fender amps, this amp is sounds less harsh, brite, and
squeaky sounding. It sounds solid and warm, without being too boomy, to my
ears.
Although the Bass control has a fairly limited range, I'm very happy with
how this tone stack works and sounds. The High-Pass switch control suppliments
the limited range of the Bass control nicely.
Having two speaker drivers instead of one seems to project a more ambient,
less in your face sound. There would be an off-axis (horizontally) comb filter
effect, to some degree.
It sounds quite good with a stratocaster and my pedal board, and manages
to keep up with Billy Hagen and Jim Harden at a jam session, who play about
as loud as I can stand.
So yes, 20 watts is enough, for a typical tavern/bar/pub type venue. If
you like the sound of an over driven output stage, this amp does that at a
more reasonable sound level.
I'm very happy with it.

To return to Audio Project Index click here.
To go to front page of website, click here.
